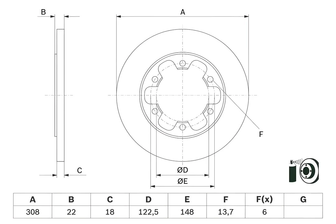
Ford Transit V363